Product Summary
The TEA5760UK/N1 is a single chip electronically tuned FM stereo radio for low voltage applications with fully integrated Intermediate Frequency (IF) selectivity and demodulation. The radio is completely adjustment free and only requires a minimum of small and low cost external components. The TEA5760UK/N1 does not meet all of the requirements from EN55020, a trade off was done to make possible the previously stated features. The TEA5760UK/N1 application software is compatible to the TEA5761UK software to enable easy design in for customers.
Parametrics
TEA5760UK/N1 absolute maximum ratings: (1)VLO1, voltage on pin LO1: -0.6 to +3.6 V; (2)VLO2, voltage on pin LO2: -0.6 to +3.6 V; (3)VCCD, digital supply voltage: -0.6 to +3.6 V; (4)VCCA, analog supply voltage: -0.6 to +3.6 V; (5)VI, input voltage with respect to ground: -0.6 to +3.6 V; (6)VO, output voltage with respect to ground: -0.6 to +3.6 V; (7)Tstg, storage temperature: -40 to +125 ℃; (8)Tamb, ambient temperature at TEA5760UK functional, specification not guaranteed: -35 to +85 ℃; (9)Vesd, electrostatic discharge voltage: -200 to +200 V at MM; -2000 to +2000 V at HBM all pins, except pin FREQIN; -1750 to +1750 V at pin FREQIN; -500 to +500 V at CDM.
Features
TEA5760UK/N1 features: (1)High sensitivity due to integrated low noise Radio Frequency (RF) input amplifier; (2)FM mixer for conversioof the US/Europe (87.5 MHz to 108 MHz) and Japanese FM band (76 MHz to 90 MHz) to IF; (3)Preset tuning to receive Japanese TV audio up to 108 MHz and raster 100 kHz; (4)Autonomous search tuning, 100 kHz grid; (5)RF Automatic GaiControl (AGC) circuit; (6)LC tuner oscillator operating with one low cost chip inductor (external varicap not required); (7)Fully integrated FM IF selectivity; (8)Fully integrated FM demodulator; (9)32.768 kHz external reference frequency; (10)Phase-Locked Loop (PLL) synthesizer tuning system; (11)IF counter; 7-bit output via control interface; (12)Level detector, 4-bit level informatiooutput via the control interface; (13)Soft mute, signal level dependent mute function; (14)Signal level dependent mono/stereo blend, Stereo Noise Cancelling (SNC); (15)Soft mute and SNC cabe switched off via control interface; (16)Adjustment free stereo decoder; (17)I2C-bus interface; (18)Standby mode; (19)One software programmable port; (20)Interrupt flag.
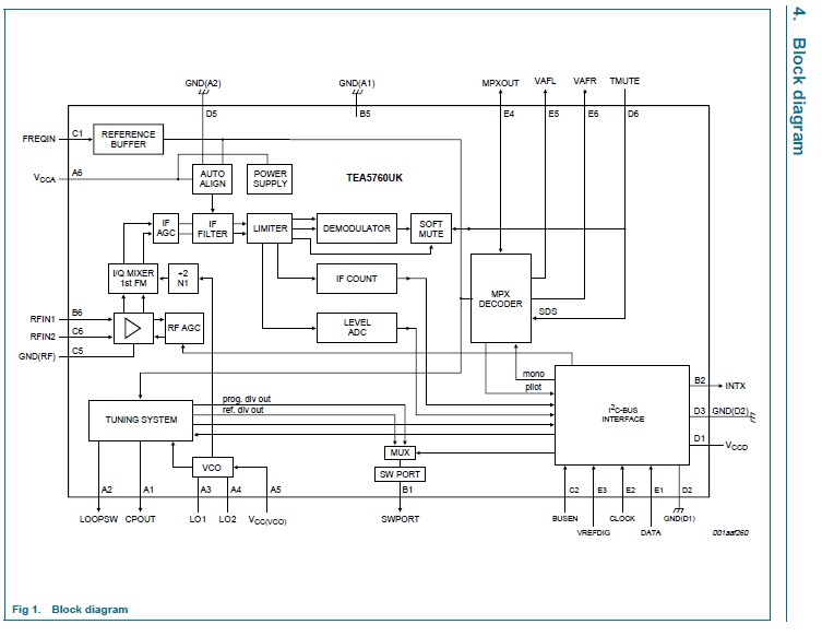
Diagrams

| Image | Part No | Mfg | Description | ![]() |
Pricing (USD) |
Quantity | ||||
|---|---|---|---|---|---|---|---|---|---|---|
![]() |
![]() TEA5760UK/N1-G |
![]() NXP Semiconductors |
![]() Tuners LOW COST FM ONLY |
![]() Data Sheet |
![]() Negotiable |
|
||||
![]() |
![]() TEA5760UK/N1-T |
![]() NXP Semiconductors |
![]() Tuners LOW COST FM ONLY |
![]() Data Sheet |
![]() Negotiable |
|
||||
(China (Mainland))









