Product Summary
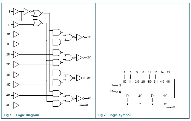
The 74HC157D is a high-speed Si-gate CMOS device and is pin compatible with Low-power Schottky TTL. It is specified in compliance with JEDEC standard no. 7A. The 74HC157D is a quad 2-input multiplexer which select 4 bits of data from two sources under the control of a common data select input (S). The enable input (E) is active LOW. When E is HIGH, all of the outputs (1Y to 4Y) are forced LOW regardless of all other input conditions. Moving the data from two groups of registers to four common output buses is a common use of the 74HC/HCT157. The state of the common data select input (S) determines the particular register from which the data comes. It can also be used as function generator. The 74HC157D is useful for implementing highly irregular logic by generating any four of the 16 different functions of two variables with one variable common. The 74HC157D is logic implementation of a 4-pole, 2-position switch, where the position of the switch is determine by the logic levels applied to S.
Parametrics
74HC157D absolute maximum ratings: (1)VCC, supply voltage: -0.5 to +7 V; (2)IIK, input clamping current VI < -0.5 V or VI > VCC + 0.5 V: ±20 mA max; (3)IOK, output clamping current VO < -0.5 V or VO > VCC + 0.5 V: ±20 mA max; (4)IO, output current VO = -0.5 V to (VCC + 0.5 V): ±25 mA max; (5)ICC, supply current: +50 mA max; (6)IGND, ground current: -50 mA max; (7)Tstg, storage temperature: -65 to +150 ℃; (8)Ptot, total power dissipation Tamb = -40 ℃ to +125 ℃: SO16 package: 500 mW max; TSSOP16 package: 500 mW max; DHVQFN16 package: 500 mW max.
Features
74HC157D features: (1)Low-power dissipation; (2)Non-inverting data path; (3)ESD protection: HBM JESD22-A114F exceeds 2 000 V; MM JESD22-A115-A exceeds 200 V; (4)Specified from -40 ℃ to +85℃ and from -40 ℃ to +125 ℃.
Diagrams

| Image | Part No | Mfg | Description | ![]() |
Pricing (USD) |
Quantity | ||||||||||||
|---|---|---|---|---|---|---|---|---|---|---|---|---|---|---|---|---|---|---|
![]() |
![]() 74HC157D |
![]() NXP Semiconductors |
![]() Encoders, Decoders, Multiplexers & Demultiplexers QUAD 2-IN MUX |
![]() Data Sheet |
![]() Negotiable |
|
||||||||||||
![]() |
![]() 74HC157D,652 |
![]() NXP Semiconductors |
![]() Encoders, Decoders, Multiplexers & Demultiplexers QUAD 2-IN MUX |
![]() Data Sheet |
![]()
|
|
||||||||||||
![]() |
![]() 74HC157D,653 |
![]() NXP Semiconductors |
![]() Encoders, Decoders, Multiplexers & Demultiplexers QUAD 2-INPUT MULTIPLEXER |
![]() Data Sheet |
![]()
|
|
||||||||||||
![]() |
![]() 74HC157DB,118 |
![]() NXP Semiconductors |
![]() Encoders, Decoders, Multiplexers & Demultiplexers QUAD 2-INPUT |
![]() Data Sheet |
![]()
|
|
||||||||||||
![]() |
![]() 74HC157DB,112 |
![]() NXP Semiconductors |
![]() Encoders, Decoders, Multiplexers & Demultiplexers QUAD 2-INPUT |
![]() Data Sheet |
![]()
|
|
||||||||||||
![]() |
![]() 74HC157DB |
![]() NXP Semiconductors |
![]() Encoders, Decoders, Multiplexers & Demultiplexers QUAD 2-INPUT MULTIPLEXER |
![]() Data Sheet |
![]() Negotiable |
|
||||||||||||
![]() |
![]() 74HC157DB-T |
![]() NXP Semiconductors |
![]() Encoders, Decoders, Multiplexers & Demultiplexers QUAD 2-INPUT MULTIPLEXER |
![]() Data Sheet |
![]() Negotiable |
|
||||||||||||
(China (Mainland))










